Möbelbeschläge & Wohnraumlösungen

Cable Ties - Blind Hole Fixing
Cable Ties - Blind Hole Fixing

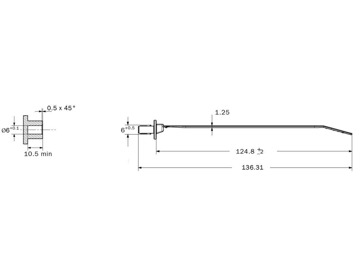
Kabelbinder - Sacklochbefestigung

Diese Kabelbinder dienen zur Befestigung in Sacklöchern, in welche sie sich mit geringem Druck einführen lassen; dennoch liegt ihre Haltekraft bei 100N. Es werden keine weiteren Befestigungsvorrichtungen benötigt.

Werkstoff - Nylon (Kabelbinder), Edelstahl (Metallbefestigung)
Standardfarbe - Schwarz
 

Interessieren Sie sich für weitere Informationen, Muster oder CAD Dateien?

Dann kontaktieren Sie doch unseren Kundenservice oder benutzen den „ Muster Anfragen“-Knopf in der Produkttabelle.

Zeichnungen und Bilder dienen nur als Referenz und sollten nicht zur Produktspezifikation verwendet werden. Bei neuen Anwendungen empfehlen wir, mit den von uns gelieferten Mustern Montagetests durchzuführen.

Maßangaben

Zum Vergrößern auf die Miniaturansicht klicken
Leitfaden für Abmessungen Herunterladen
Kabelbinder - Sacklochbefestigung dimension guide

Varianten

Art.-Nr. Bezeichnung L W
CAT275 Sacklochbefestigung 136.3 1.2 Muster anfragen

Alle Abmessungen sind in mm, sofern nicht anders angegeben.

Zurück zum Anfang